Product Details
Like many Lollar pickup designs, our 70s SR bass pickups were born from notes Jason had taken while repairing vintage pickups, notably StingRay pickups from the model's debut in 1976. These pickups have a Hi-Fi sound with a bright top end and deep midrange, with a distinctive punchy attack.
The original design used unique, longer pole piece magnets that required a deeper rout than what is typical in modern StingRay basses. We took Jason's original notes and sourced special magnets that fit the more common modern rout, while offering the same smooth, full-bodied sound as the originals.
To accommodate as many players as possible, we developed a complementary neck pickup that pairs well with the original bridge position voicing for HH bass models, and a 5-string HH set for 5-string players seeking the vintage 70s StingRay sound. Utilizing modern materials and techniques, Lollar 70s SR pickups offer a vintage-sounding replacement without compromise.
Available in both Neck and Bridge positions in 4 String and 5-String.
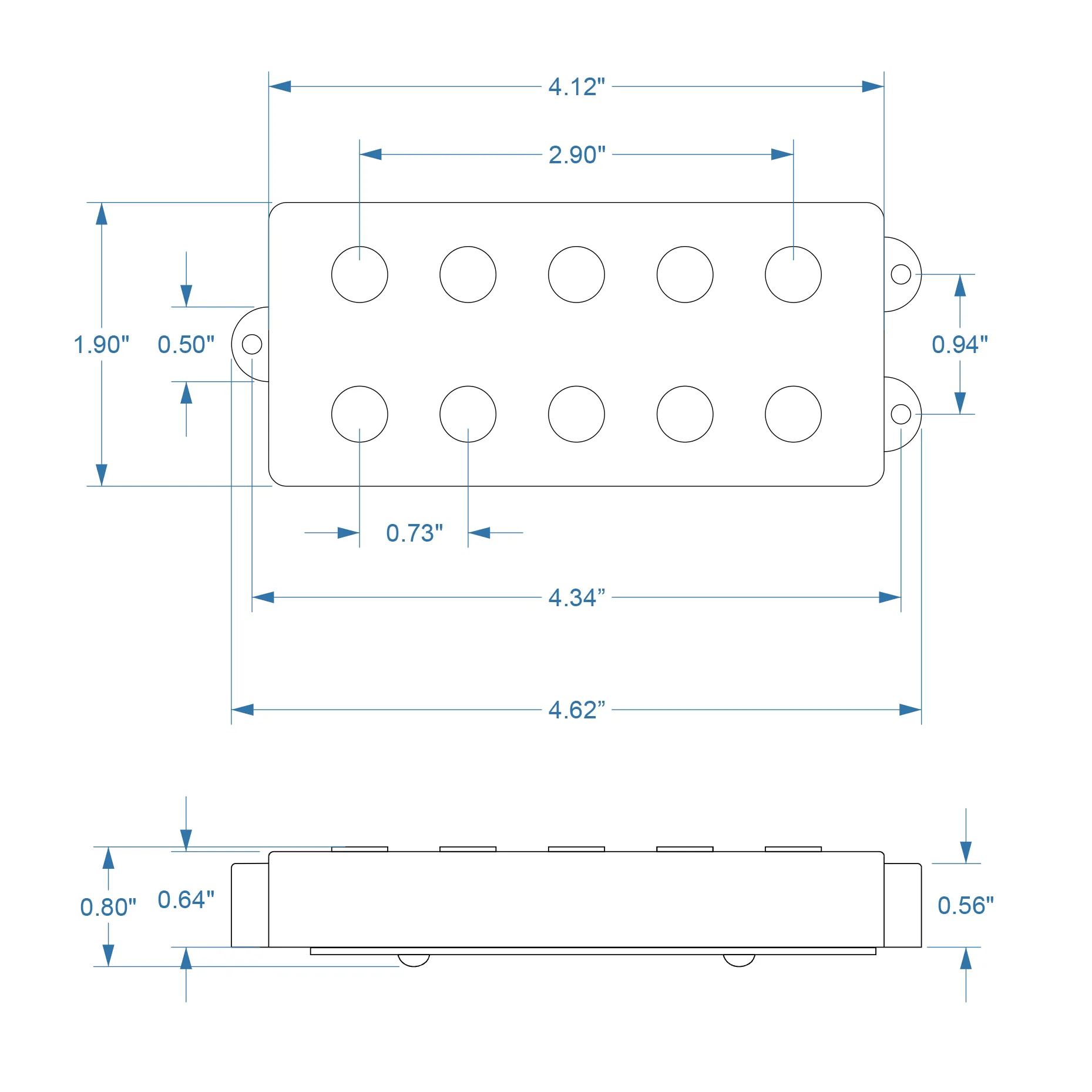
Please note that we recommend checking and confirming the dimensions of your pickup routes to ensure our 70s SR pickups will be a suitable replacement. Routing templates are available if modification to your instrument is desired.
Avg. DC: Neck 5K, Bridge 5.2K (Read about DC resistance)
Recommended Potentiometers: 500k
Recommended Capacitor: 0.022μF
Red Fang's Aaron Beam Plays Lollar '70s SR Bass Humbuckers
Click Here for information on wiring your 70s SR pickup in series and parallel.
Pickup Dimensions
Lollar 70s SR Pickups
Frequently Asked Questions
Is your 70s SR bass pickup a drop-in replacement for my bass?
There are a few different variations to the size and overall dimensional shape of the StingRay style pickups that we are aware of. Currently, the pickup is only available in the sizing shown on our dimensional drawing of the covers. We strongly recommend comparing our dimensional drawing with your existing pickup route to determine whether our pickup will require a modification to the pickup cavity and pickguard or be a drop-in replacement.
What's the deal with four-conductor pickups?
Four-conductor wiring gives each of the humbucker's two coils its own leads. This enables you to take advantage of more complex switching, like in/out of phase, series/parallel, or coil splitting. If your guitar has extra mini-switches or push/pull pots for these options, you're likely going to want four conductors.
What values of potentiometers and capacitors do you recommend for your 70s SR pickups?
The most common/traditional choices are 500k pots (both volume and tone) and .022μF caps—and these are the values we typically recommend. That said, there are no hard and fast rules. You can read more about how different pot and cap values affect tone in this two-part blog post: Part I - Pots, Part II - Caps.
How far from my strings should I set my 70s SR pickups?
Generally, as close to the strings as possible while avoiding picking hand interference or magnetic pull. You may notice that the pickups sound and work best when slightly further away from the strings than our other humbucker sets. The pickup height will also be a consequence of how deep a pickup route is available on your instrument, and we offer foam with the 70s SR pickups to help offer some additional height and rigidity when installing. Trust your ears as to what sounds best.
Which way do I orient my pickups during installation?
The conventional orientation is with the two oval mounting ears facing the bass side of the fretboard, and the single center mounting ear of the cover to the treble side of the fretboard.
How do I wire my pickup in the traditional parallel orientation, or Lollar's recommended series wiring? (PDF below)
For the traditional StingRay parallel pickup wiring, you will use the Black and Red colored lead wires combined as your hot, and the White, Green, and Bare Wire combined as your ground.
For Lollar's recommended series wiring modification for the pickup, you will use the Black as the hot, the Red and White combined as the tap, and the Green combined with the Bare Wire as the ground.
Click Here for a visual aid of each wiring configuration.
Click Here for more information regarding the difference between series and parallel wiring within a humbucking pickup.
What They Are Saying
Ok... so there aren't any reviews yet, but there will be soon, we promise!
Be the first to rate this item! Write a Review